
PDF Publication Title:
Text from PDF Page: 008
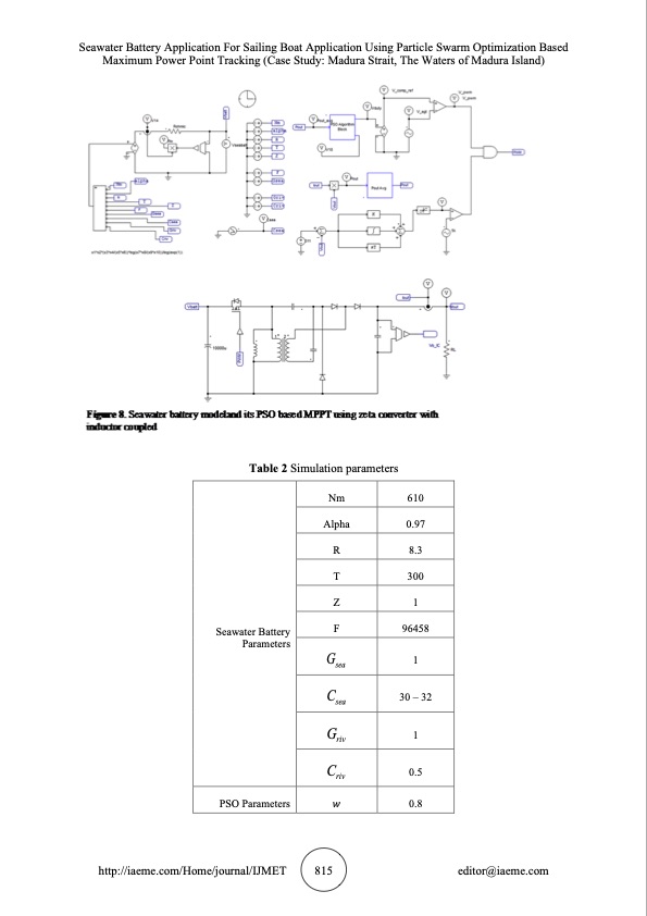
Seawater Battery Application For Sailing Boat Application Using Particle Swarm Optimization Based Maximum Power Point Tracking (Case Study: Madura Strait, The Waters of Madura Island) Table 2 Simulation parameters Nm 610 Alpha 0.97 R 8.3 T 300 Z1 F Gsea Csea Griv Criv PSO Parameters 𝑤 96458 1 30 – 32 1 0.5 0.8 Seawater Battery Parameters http://iaeme.com/Home/journal/IJMET 815 editor@iaeme.comPDF Image | SEAWATER BATTERY APPLICATION FOR SAILING BOAT
PDF Search Title:
SEAWATER BATTERY APPLICATION FOR SAILING BOATOriginal File Name Searched:
IJMET_10_01_083.pdfDIY PDF Search: Google It | Yahoo | Bing
Product and Development Focus for Infinity Turbine
ORC Waste Heat Turbine and ORC System Build Plans: All turbine plans are $10,000 each. This allows you to build a system and then consider licensing for production after you have completed and tested a unit.Redox Flow Battery Technology: With the advent of the new USA tax credits for producing and selling batteries ($35/kW) we are focussing on a simple flow battery using shipping containers as the modular electrolyte storage units with tax credits up to $140,000 per system. Our main focus is on the salt battery. This battery can be used for both thermal and electrical storage applications. We call it the Cogeneration Battery or Cogen Battery. One project is converting salt (brine) based water conditioners to simultaneously produce power. In addition, there are many opportunities to extract Lithium from brine (salt lakes, groundwater, and producer water).Salt water or brine are huge sources for lithium. Most of the worlds lithium is acquired from a brine source. It's even in seawater in a low concentration. Brine is also a byproduct of huge powerplants, which can now use that as an electrolyte and a huge flow battery (which allows storage at the source).We welcome any business and equipment inquiries, as well as licensing our turbines for manufacturing.| CONTACT TEL: 608-238-6001 Email: greg@infinityturbine.com | RSS | AMP |