
PDF Publication Title:
Text from PDF Page: 058
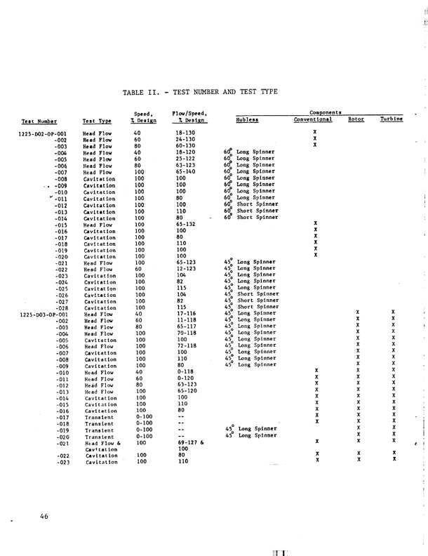
Test Number 1225-DO2-OP-001 Test Type Head Flow Head Flow Head Flow Head Flow Head Flow Head Flow Head Flow Cavitation Cavitation Cavitation Cavitation Cavitation Cavitation Cavitation Head Flow Cavitation Cavitation Cavitation Cavitation Cavitation Head Flow Head Flow Cavitation Cavitation Cavitation Cavitation Cavitation Cavitation Head Flow Head Flow Head Flow Head Flow Cavitation Head Flow Cavitation Cavitation Cavitation Head Flow Head Flow Head Flow Head Flow Cavitation Cavitation Cavitation Transient Transient Transient Transient Head Flow & Cavltatlon Cavitation Cavitation Speed, % Design 40 60 80 40 60 80 10O 100 100 I00 I00 100 I00 I00 I00 I00 I00 I00 I00 iO0 I00 60 I00 I00 I00 I00 i00 i00 40 60 80 I00 I00 I00 I00 I00 I00 40 60 80 100 I00 I00 I00 O-lO0 0-100 0-100 0-I00 IO0 IOO 100 Flow/Speed, % Design 18-130 24-130 60-130 18-120 25-122 63-123 65-140 !00 100 I00 80 100 110 80 65-132 100 80 II0 100 I00 65-123 12-123 104 82 115 104 82 115 17-116 II-i18 65-117 70-118 I00 72-I18 I00 110 80 0-i18 0-120 63-123 65-120 I00 II0 80 -- -- -- -- 69-127 b I00 80 II0 Hubless Components Conventional X X X x X X X X X Rotor Turbine ,• -009 -010 -011 -012 -013 -014 -015 -016 -017 -018 -019 -020 -021 -022 -023 -024 -025 -026 -027 -028 1225 -DO3-OP-001 -002 -003 -004 -005 - 006 -007 -008 -009 -010 -011 -012 -013 -014 -015 -O16 -017 -018 -019 -020 -021 -O22 -023 4_ Long Spinner 45° Long Spinner 45° Long Spinner 46 -002 -003 -004 -005 -006 -007 -008 60° Long 60° Long 600° Long 60 Long 60° Long 60° Long 6_ Long 60° Long 600 Short 600 Short 600 Short 45° Long 45° Long Spinner Spinner Spinner Spinner Spinner Spinner Spinner Spinner Spinner Spinner Spinner Spinner Spinner TABLE II. - TEST NUMBER AND TEST TYPE 4_ Short 4_ Short Spinner Spinner Spinner Spinner 4_ Short 45 ° Long 4_ Long Spinner 45 ° Long Spinner 45° Long Spinner 45°o Long Spinner 45 Long Spinner 4_ Long Spinner 45 ° Long Spinner 450 Long Spinner XX XX XX XX XX XX XX XX XX 45° Long Spinner 4_ Long Spinner XxX xXX XxX XXX XxX xxX xxX XXX XXX XX XX XxX x XPDF Image | HUBLESS INDUCER FLOW HYDRAULIC TURBINE INDUCER BOOST PUMP
PDF Search Title:
HUBLESS INDUCER FLOW HYDRAULIC TURBINE INDUCER BOOST PUMPOriginal File Name Searched:
Inducer_turbine_pump.pdfDIY PDF Search: Google It | Yahoo | Bing
NFT (Non Fungible Token): Buy our tech, design, development or system NFT and become part of our tech NFT network... More Info
IT XR Project Redstone NFT Available for Sale: NFT for high tech turbine design with one part 3D printed counter-rotating energy turbine. Be part of the future with this NFT. Can be bought and sold but only one design NFT exists. Royalties go to the developer (Infinity) to keep enhancing design and applications... More Info
Infinity Turbine IT XR Project Redstone Design: NFT for sale... NFT for high tech turbine design with one part 3D printed counter-rotating energy turbine. Includes all rights to this turbine design, including license for Fluid Handling Block I and II for the turbine assembly and housing. The NFT includes the blueprints (cad/cam), revenue streams, and all future development of the IT XR Project Redstone... More Info
Infinity Turbine ROT Radial Outflow Turbine 24 Design and Worldwide Rights: NFT for sale... NFT for the ROT 24 energy turbine. Be part of the future with this NFT. This design can be bought and sold but only one design NFT exists. You may manufacture the unit, or get the revenues from its sale from Infinity Turbine. Royalties go to the developer (Infinity) to keep enhancing design and applications... More Info
Infinity Supercritical CO2 10 Liter Extractor Design and Worldwide Rights: The Infinity Supercritical 10L CO2 extractor is for botanical oil extraction, which is rich in terpenes and can produce shelf ready full spectrum oil. With over 5 years of development, this industry leader mature extractor machine has been sold since 2015 and is part of many profitable businesses. The process can also be used for electrowinning, e-waste recycling, and lithium battery recycling, gold mining electronic wastes, precious metals. CO2 can also be used in a reverse fuel cell with nafion to make a gas-to-liquids fuel, such as methanol, ethanol and butanol or ethylene. Supercritical CO2 has also been used for treating nafion to make it more effective catalyst. This NFT is for the purchase of worldwide rights which includes the design. More Info
NFT (Non Fungible Token): Buy our tech, design, development or system NFT and become part of our tech NFT network... More Info
Infinity Turbine Products: Special for this month, any plans are $10,000 for complete Cad/Cam blueprints. License is for one build. Try before you buy a production license. May pay by Bitcoin or other Crypto. Products Page... More Info
| CONTACT TEL: 608-238-6001 Email: greg@infinityturbine.com | RSS | AMP |