
PDF Publication Title:
Text from PDF Page: 118
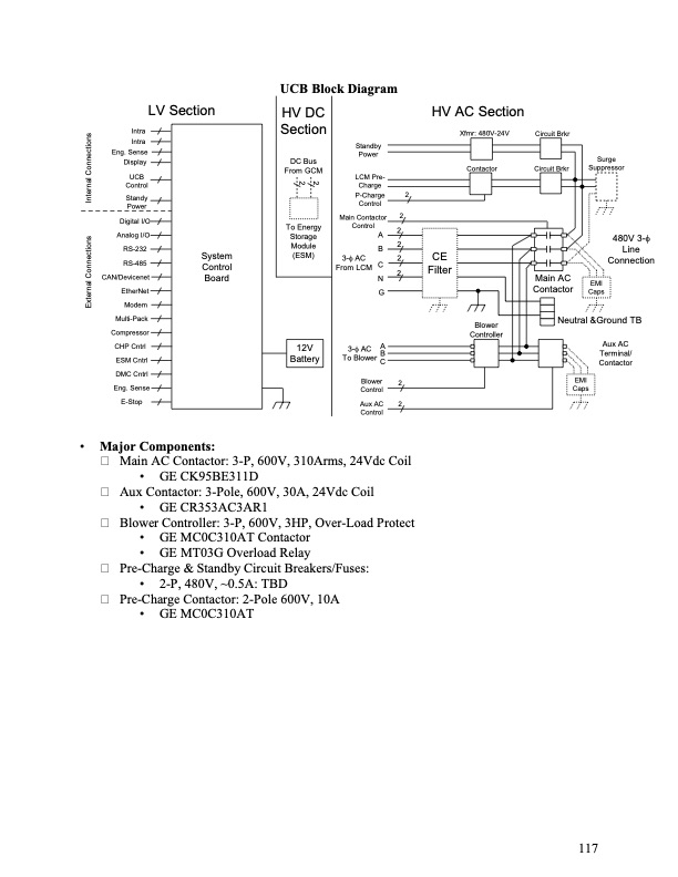
UCB Block Diagram LV Section UCB Control Standy Power Digital I/O Analog I/O RS-232 RS-485 CAN/Devicenet EtherNet Modem Multi-Pack Compressor CHP Cntrl ESM Cntrl DMC Cntrl Eng. Sense E-Stop HV DC Section DC Bus From GCM To Energy Storage Module (ESM) HV AC Section Xfmr: 480V-24V Contactor System Control Board Intra Intra Eng. Sense Display Standby Power LCM Pre- Charge P-Charge Control Main Contactor Control Circuit Brkr Circuit Brkr Main AC Contactor 2 Surge Suppressor 480V 3-φ Line Connection EMI Caps Neutral &Ground TB CE Filter A B C N G Blower Control Aux AC Control 2 2 2 2 2 2 2 3-φ AC From LCM 3-φ AC To Blower B Blower Controller 12V Battery A Aux AC Terminal/ Contactor C EMI Caps • Major Components: Main AC Contactor: 3-P, 600V, 310Arms, 24Vdc Coil • GE CK95BE311D Aux Contactor: 3-Pole, 600V, 30A, 24Vdc Coil • GE CR353AC3AR1 Blower Controller: 3-P, 600V, 3HP, Over-Load Protect • GE MC0C310AT Contactor • GE MT03G Overload Relay Pre-Charge & Standby Circuit Breakers/Fuses: • 2-P, 480V, ~0.5A: TBD Pre-Charge Contactor: 2-Pole 600V , 10A • GE MC0C310AT 117 2 2 External Connections Internal ConnectionsPDF Image | Final Technical Report Advanced MicroTurbine System (AMTS) -C200 MicroTurbine -Ultra-Low Emissions MicroTurbine
PDF Search Title:
Final Technical Report Advanced MicroTurbine System (AMTS) -C200 MicroTurbine -Ultra-Low Emissions MicroTurbineOriginal File Name Searched:
975026.pdfDIY PDF Search: Google It | Yahoo | Bing
NFT (Non Fungible Token): Buy our tech, design, development or system NFT and become part of our tech NFT network... More Info
IT XR Project Redstone NFT Available for Sale: NFT for high tech turbine design with one part 3D printed counter-rotating energy turbine. Be part of the future with this NFT. Can be bought and sold but only one design NFT exists. Royalties go to the developer (Infinity) to keep enhancing design and applications... More Info
Infinity Turbine IT XR Project Redstone Design: NFT for sale... NFT for high tech turbine design with one part 3D printed counter-rotating energy turbine. Includes all rights to this turbine design, including license for Fluid Handling Block I and II for the turbine assembly and housing. The NFT includes the blueprints (cad/cam), revenue streams, and all future development of the IT XR Project Redstone... More Info
Infinity Turbine ROT Radial Outflow Turbine 24 Design and Worldwide Rights: NFT for sale... NFT for the ROT 24 energy turbine. Be part of the future with this NFT. This design can be bought and sold but only one design NFT exists. You may manufacture the unit, or get the revenues from its sale from Infinity Turbine. Royalties go to the developer (Infinity) to keep enhancing design and applications... More Info
Infinity Supercritical CO2 10 Liter Extractor Design and Worldwide Rights: The Infinity Supercritical 10L CO2 extractor is for botanical oil extraction, which is rich in terpenes and can produce shelf ready full spectrum oil. With over 5 years of development, this industry leader mature extractor machine has been sold since 2015 and is part of many profitable businesses. The process can also be used for electrowinning, e-waste recycling, and lithium battery recycling, gold mining electronic wastes, precious metals. CO2 can also be used in a reverse fuel cell with nafion to make a gas-to-liquids fuel, such as methanol, ethanol and butanol or ethylene. Supercritical CO2 has also been used for treating nafion to make it more effective catalyst. This NFT is for the purchase of worldwide rights which includes the design. More Info
NFT (Non Fungible Token): Buy our tech, design, development or system NFT and become part of our tech NFT network... More Info
Infinity Turbine Products: Special for this month, any plans are $10,000 for complete Cad/Cam blueprints. License is for one build. Try before you buy a production license. May pay by Bitcoin or other Crypto. Products Page... More Info
| CONTACT TEL: 608-238-6001 Email: greg@infinityturbine.com | RSS | AMP |