
PDF Publication Title:
Text from PDF Page: 079
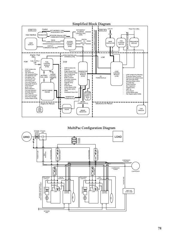
Control TRANSLATOR EXT ENERGY STORAGE CONTROL BUS (CAN) DIGITAL I/O ANALOG I/O GENERATOR CONTROL MODULE (GCM) SYSTEM POWER SUPPLY (SPS) (2) BRAKE POWER BUS (2) BRAKE RESISTOR UTILITY GRID MAIN CONTACTOR Power from Utility PRECHARGE MODULE LCM Contains the following: Protective Relay Function Remote/Local voltage sense HW Overvolts EStop Main/Aux Relay control Line EMI filter Power Inductors Bus Capacitors Heatsink temp IGBT (3) Power Board Control Board (ICB) Fan Supply (option OEM) Simplified Block Diagram UCM - LV User Interface USER DISPLAY Engine / Fuel FUEL SUPPLY LINE EXT (MODBUS / CAN) MANAGEMENT BUS NETWORK (Ethernet LAN)) COMMUNICATION BUS UCM - HV LCM DC POWER BUS (2) Electronics Air Plenum RS232 COMMUNICATION BUS Modem DISPLAY COMMUNICATION BUS FUEL CONTROL MODULE (FCM) SYSTEM CONTROL BOARD (SCB) INTRA CONTROLLER HARNESS (CAN) GCM GCM Contains the following: Engine speed Cntrl HW Overspeed EStop Zero Crossing det Starting Cntrl Brake controller Generator Inductors Bus Capacitors Heatsink temp IGBT (4) Power Board Control Board (ICB) Fan Supply (option OEM) Overspeed Valve Cntrl GENERATOR POWER BUS (3) OVERSPEED VALVE FAN STARTER MOTOR FCM FCM Contains the following: TET Sense (2) HW Overtemp EStop Fuel Manifold Cntrl Fuel Meter Cntrl Fuel Shutoff Cntrl Fuel Pump Cntrl Fuel inlet Pressure Fuel outlet Pressure PCD Pressure Igniter Cntrl Flame detection Fuel leak detection Fire/heat detection Fuel Temp (2) Amb Temp (remote) Amp Pres (remote) Control Board (PCB) METERED FUEL LINES ENGINE CONTROL HARNESS LOAD CONTROL MODULE (LCM) AMB TEMP PRES OPTIONAL OPTIONAL FAN MODULE MICROTURBINE ENGINE Engine Air Plenum POWER METER DMC MultiPac Configuration Diagram LOAD COMPRESSOR POWER GRID COMPRESSOR CONTROL COMPRESSOR PRECHARGE CONTACT NETWORK 100BT FAN SS CONTACTS SYSTEM CONTROL PRECHARGE CONTACT FAN CONTACT SYSTEM CONTROL LCM LCM 100BT HUB INTER COMM OPTIONAL SOFTSTART SC ZERO POWER SB GRID CONNECT FAN FAN PRECHARGE DMC INTERFACE PRECHARGE ROUTER PWR DISCONNECT DISCONNECT TO EXT ENERGY STORAGE UNIT POWER PULSE VOLTAGE SENSE FUSE/DISCONNECT VOLTAGE SENSE FUSE/DISCONNECT OPTIONAL XFORMER REMOTE VOLTAGE SENSE 78PDF Image | Final Technical Report Advanced MicroTurbine System (AMTS) -C200 MicroTurbine -Ultra-Low Emissions MicroTurbine
PDF Search Title:
Final Technical Report Advanced MicroTurbine System (AMTS) -C200 MicroTurbine -Ultra-Low Emissions MicroTurbineOriginal File Name Searched:
975026.pdfDIY PDF Search: Google It | Yahoo | Bing
NFT (Non Fungible Token): Buy our tech, design, development or system NFT and become part of our tech NFT network... More Info
IT XR Project Redstone NFT Available for Sale: NFT for high tech turbine design with one part 3D printed counter-rotating energy turbine. Be part of the future with this NFT. Can be bought and sold but only one design NFT exists. Royalties go to the developer (Infinity) to keep enhancing design and applications... More Info
Infinity Turbine IT XR Project Redstone Design: NFT for sale... NFT for high tech turbine design with one part 3D printed counter-rotating energy turbine. Includes all rights to this turbine design, including license for Fluid Handling Block I and II for the turbine assembly and housing. The NFT includes the blueprints (cad/cam), revenue streams, and all future development of the IT XR Project Redstone... More Info
Infinity Turbine ROT Radial Outflow Turbine 24 Design and Worldwide Rights: NFT for sale... NFT for the ROT 24 energy turbine. Be part of the future with this NFT. This design can be bought and sold but only one design NFT exists. You may manufacture the unit, or get the revenues from its sale from Infinity Turbine. Royalties go to the developer (Infinity) to keep enhancing design and applications... More Info
Infinity Supercritical CO2 10 Liter Extractor Design and Worldwide Rights: The Infinity Supercritical 10L CO2 extractor is for botanical oil extraction, which is rich in terpenes and can produce shelf ready full spectrum oil. With over 5 years of development, this industry leader mature extractor machine has been sold since 2015 and is part of many profitable businesses. The process can also be used for electrowinning, e-waste recycling, and lithium battery recycling, gold mining electronic wastes, precious metals. CO2 can also be used in a reverse fuel cell with nafion to make a gas-to-liquids fuel, such as methanol, ethanol and butanol or ethylene. Supercritical CO2 has also been used for treating nafion to make it more effective catalyst. This NFT is for the purchase of worldwide rights which includes the design. More Info
NFT (Non Fungible Token): Buy our tech, design, development or system NFT and become part of our tech NFT network... More Info
Infinity Turbine Products: Special for this month, any plans are $10,000 for complete Cad/Cam blueprints. License is for one build. Try before you buy a production license. May pay by Bitcoin or other Crypto. Products Page... More Info
| CONTACT TEL: 608-238-6001 Email: greg@infinityturbine.com | RSS | AMP |