
PDF Publication Title:
Text from PDF Page: 073
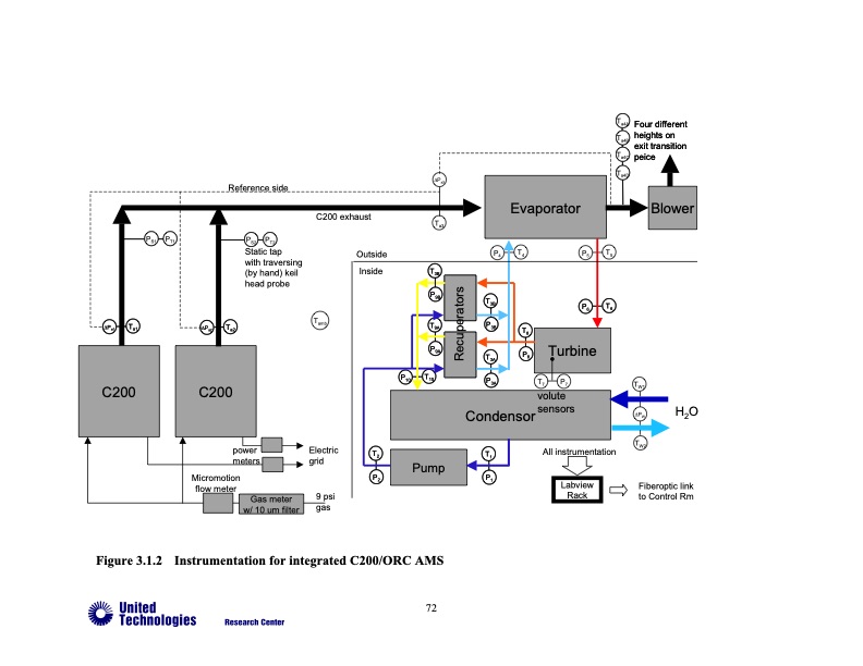
Recuperators ∆P T ∆P T Tamb T9A P9A a1 a1 a2 a2 T8 T3A P8 C200 C200 P7 TW1 ∆PW Figure 3.1.2 Instrumentation for integrated C200/ORC AMS PS1 PT1 PS2 PT2 Static tap with traversing (by hand) keil head probe Micromotion flow meter P2 Pump Reference side power meters Electric grid All instrumentation H2O TW2 Gas meter w/ 10 um filter 9 psi gas Labview Rack Fiberoptic link to Control Rm C200 exhaust Evaporator Blower Outside Inside P4 T4 P5 T5 T2 T1 P1 P10 T10 P3A Condensor sensors 72 ∆Pa3 Ta4D Ta3 T3B P9B T3B P3B Turbine T7 volute P6 T6 Ta4A Four different Ta4B heights on exit transition Ta4C peicePDF Image | ADVANCED MICROTURBINE SYSTEMS Final Report for Tasks 1 Through 4 and Task 6
PDF Search Title:
ADVANCED MICROTURBINE SYSTEMS Final Report for Tasks 1 Through 4 and Task 6Original File Name Searched:
AdvancedMicroturbineSystems_924484.pdfDIY PDF Search: Google It | Yahoo | Bing
NFT (Non Fungible Token): Buy our tech, design, development or system NFT and become part of our tech NFT network... More Info
IT XR Project Redstone NFT Available for Sale: NFT for high tech turbine design with one part 3D printed counter-rotating energy turbine. Be part of the future with this NFT. Can be bought and sold but only one design NFT exists. Royalties go to the developer (Infinity) to keep enhancing design and applications... More Info
Infinity Turbine IT XR Project Redstone Design: NFT for sale... NFT for high tech turbine design with one part 3D printed counter-rotating energy turbine. Includes all rights to this turbine design, including license for Fluid Handling Block I and II for the turbine assembly and housing. The NFT includes the blueprints (cad/cam), revenue streams, and all future development of the IT XR Project Redstone... More Info
Infinity Turbine ROT Radial Outflow Turbine 24 Design and Worldwide Rights: NFT for sale... NFT for the ROT 24 energy turbine. Be part of the future with this NFT. This design can be bought and sold but only one design NFT exists. You may manufacture the unit, or get the revenues from its sale from Infinity Turbine. Royalties go to the developer (Infinity) to keep enhancing design and applications... More Info
Infinity Supercritical CO2 10 Liter Extractor Design and Worldwide Rights: The Infinity Supercritical 10L CO2 extractor is for botanical oil extraction, which is rich in terpenes and can produce shelf ready full spectrum oil. With over 5 years of development, this industry leader mature extractor machine has been sold since 2015 and is part of many profitable businesses. The process can also be used for electrowinning, e-waste recycling, and lithium battery recycling, gold mining electronic wastes, precious metals. CO2 can also be used in a reverse fuel cell with nafion to make a gas-to-liquids fuel, such as methanol, ethanol and butanol or ethylene. Supercritical CO2 has also been used for treating nafion to make it more effective catalyst. This NFT is for the purchase of worldwide rights which includes the design. More Info
NFT (Non Fungible Token): Buy our tech, design, development or system NFT and become part of our tech NFT network... More Info
Infinity Turbine Products: Special for this month, any plans are $10,000 for complete Cad/Cam blueprints. License is for one build. Try before you buy a production license. May pay by Bitcoin or other Crypto. Products Page... More Info
| CONTACT TEL: 608-238-6001 Email: greg@infinityturbine.com | RSS | AMP |